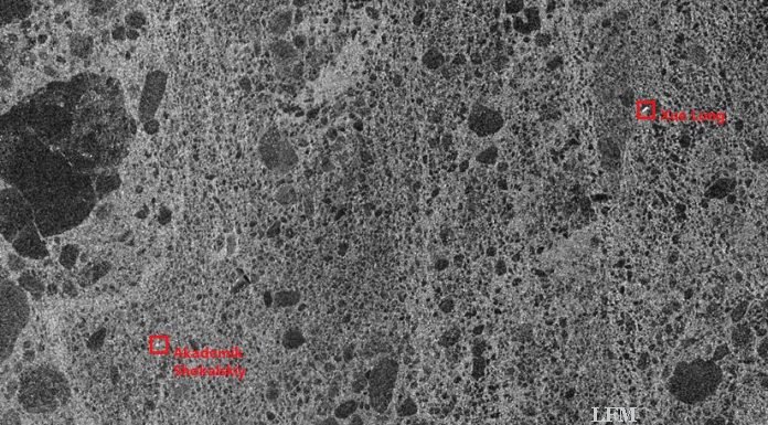
Zehn Tage saßen 74 Wissenschaftler und Touristen an Bord des russischen Forschungsschiffs "Akademik Shokalskiy" in der...
Orbital Sciences hat die erste Cygnus-Raumkapsel zur Versorgung der internationalen Raumstation ISS gestartet. Das im Rahmen...
Im vergangenen Jahr wurden am Flughafen Stuttgart nach vorläufigen Erhebungen insgesamt 9.589.045 Fluggäste gezählt, ein Minus...
Boeing hat einen 2013 neuen Unternehmensrekord aufgestellt und 648 zivile Flugzeuge ausgeliefert. Die noch ausstehenden Bestellungen...
Anfang Juli 2014 steuert TAP Portugal mit Hannover den sechsten Flughafen in Deutschland an. Vier Flüge...
Das Schweizer Bundesamt für Zivilluftfahrt (BAZL) hat neue Flugbetriebsgebühren auf dem Flughafen Zürich verfügt. Diese liegen...
Sean O’Keefe, Chairman und Chief Executive Officer (CEO) der Airbus Group, Inc., der nordamerikanischen Konzerntochter, wird...
Für das Jahr 2013 kann der Dortmund Airport erneut steigende Passagierzahlen vermelden. 1.924.313 Fluggäste nutzten den...
Der Airport Weeze hat 2013 insgesamt 2.488.956 Fluggäste begrüßt und damit einen Zuwachs von 12,7 Prozent...
Auch in diesem Jahr wird Hamburg Airport wichtige Wartungs- und Instandhaltungsarbeiten an seinen Start- und Landebahnen...














